
引言
挖掘机维修往往充满挑战。
一方面,发动机与液压系统之间的电路配置复杂,通用诊断工具少,维修难度大。另一方面,核心部件通常被多层防护板遮盖,拆装不便,零部件价格昂贵,误换代价高。不过不用担心,虹科Pico汽车示波器同样能帮助你高效诊断工程机械故障。
01
故障现象
一台日立 Zaxis 135挖掘机,客户反馈发动机转速无法提高,导致机器无法移动,被困在工地上。同时,仪表台上出现多个故障警告。
图1 日立 Zaxis 135挖掘机
02
故障诊断
初步检查
查阅操作手册后,在设备的服务菜单中发现部分隐藏信息,内容类似串行数据。其中,发动机目标转速和实际转速均显示为空白,但油温、冷却液温度等其他发动机数据却可以正常显示。菜单中的另一个项实用功能是查看液压泵压力(厂商已在液压系统中加装了压力传感器)。但遗憾的是,这个数值同样是空白的!
由此可知,显示屏能够接收到部分发动机相关部件的信号,说明通信没有完全中断,但转速和压力相关的数据却完全缺失。

图2 显示屏上转速信息缺失报错
图3 发动机故障警告
基础信号验证
作为共轨柴油发动机,理论上,发动机能启动并运转,则其曲轴位置传感器的信号应当正常。但维修工作不能想当然,我们仍有必要对曲轴信号进行验证。
找到了曲轴位置传感器的信号线,安装了通用转接线。如图4,我们分别采集了曲轴传感器信号(1)、凸轮轴位置传感器信号(2)和1号喷油器电流(3)。

图4 故障挖掘机的曲位、凸位信号与喷油电流
当然,我们在此处采集凸轮轴位置信号与喷油电流的目的,是为了保存一套正常运作时的波形,用于以后的对比验证。你还可以将采集到的波形,上传至波形库、存储到云端,方便未来随时调用。
从图4的波形来看,基础信号均正常,发动机控制系统的核心部分没有问题。既然如此,那问题很有可能出在信息传输环节。于是,我们将排查重点转向设备的通讯系统。
发动机电控单元(ECU)需要将发动机转速信号传输到驾驶室的显示屏上,但目前显示屏的目标转速和实际转速均无数据显示。这些信息是如何传递的?答案是 CAN 总线。
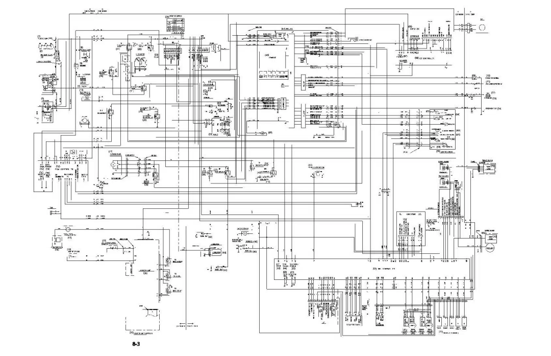
如图5,我们找到了这台挖掘机设备的接线图。

图5 故障挖掘机的接线图
当然,我们用不上整张接线图。如图6,稍加简化,我们只需要关注CAN总线、相关控制单元以及用来调节发动机转速(RPM)的转速调节旋钮。

图6 简化后的接线图
Engine Speed Control Dial: 转速调节旋钮
Information display (INF) : 信息显示屏(INF)
ICF: 仪表组合控制单元。
Machine Control ECU(MCU): 机器控制ECU(MCU)
Engine ECU - ECM :发动机控制ECU(ECM)
如图所示,操作员通过转速控制旋钮发出指令,这个指令同时发送给信息显示屏和机器控制ECU(即MCU)。然后机器控制ECU通过CAN总线将转速请求发送给发动机ECU(即ECM),同时相关数据也会发送到显示屏。这也解释了为何部分发动机数据仍能正常显示:因为这些数据是通过网络共享传输的。
CAN总线波形测试分析
有了推测,接下来需要实际验证。如图7,使用虹科Pico示波器,将探头连接到CAN总线上,观察各个ECU之间的通信情况。在大多数带OBD接口的车辆上,找到CAN总线并不难,但工程机械就没那么方便了。经过一番寻找,我们找到了正确的线路并开始监测,并发现了非常有意思的结果。

图7 将探针连接到CAN总线上
图8是我们采集到的CAN总线波形。其中,蓝色的A通道为CAN高信号,红色的B通道为CAN低信号。CAN总线传输使用的是差分信号,因此我们也添加了数学通道来辅助分析:
• 粉色:A+B通道(CAN高+CAN低)
•紫色:A-B通道(CAN高-CAN低)
正常情况下,CAN高+CAN低为5V,CAN高-CAN低应为规则方波。而在故障挖掘机的某些数据包上,A+B通道出现了异常:
• 前三个数据包在传输时有轻微干扰,但仍保持在正常的5V范围内
• 后面四个数据包的电压则明显被拉高了

图8 故障挖掘机的CAN总线波形
放大对比这两组数据包,差异更加明显。第二组数据包在A+B通道中有明显的失真,看起来很乱,而A-B则相对平稳。这表明CAN总线上确实存在异常,但还不能确定具体是哪个部件的问题。

图9 放大故障挖掘机的CAN总线波形
检查转速控制旋钮
既然不能完全确定CAN总线的问题,我们决定从另一个角度入手——检查转速控制旋钮本身。
这是一个简单的三线设备:5V电源、接地和信号输出。如果它不能向及其控制ECU输出信号,自然就不会有转速变化的请求。

图10 转速控制旋钮
打开点火开关后,用万用表测量旋钮的供电,却发现5V供电缺失!
如图6,不只是转速控制旋钮使用这个5V供电,液压泵压力传感器也用同一个电源。这就解释了为什么仪表盘上的泵压力读数也是空白的。
问题逐渐清晰了:缺少5V供电导致转速控制旋钮无法工作,进而无法控制发动机转速。那么,这个5V电源是从哪里来的呢?答案是:机器控制ECU。
定位故障部件

图11 机器控制ECU所在位置
检查机器控制ECU的电源和接地,均正常。但是它应该输出的5V参考电压却不存在。所有证据都指向同一个结论:机器控制ECU本身损坏了。
这是所有维修人员都不愿面对的时刻——需要更换一个昂贵的控制单元。但基于我们收集的所有证据,这是唯一合理的结论。
故障排除
订购并安装了新的机器控制ECU后,故障彻底解决:
1.原本缺失的5V参考电压恢复正常
2.信息显示屏上的故障代码全部消失
3.转速控制旋钮可以正常工作
4.发动机转速可以正常调节
5.液压泵压力读数也恢复显示
故障总结
我们想再讨论两个问题:
1、CAN总线到底正不正常?
更换好MCU后,我们再次在同一个位置测试了CAN总线信号,如图12。可以看到,CAN H和CAN L的波形与之前测的极为相似,且CAN高+CAN低依然偏离了5V基准线。A-B差分信号依旧非常规律,可以被正确解码。但注意,此时总线上的通讯量相较于故障时明显增加。

图12 正常车的CAN总线波形
我参考了论坛上一篇关于ECU电气特征的帖子,其中提到:“报文/有效载荷传输期间,总线上呈现的显性电压(CAN H 为 3.5V、CAN L 为 1.5V)会因ECU内部的厂商公差、连接情况、部件差异及其在总线上的物理位置不同,成为发送该报文的CAN控制器独有的特征。” 对于工程机械而言,ECU的这种独特特征会更加明显——因为一台设备的制造涉及多个不同厂商:发动机ECU可能来自奔驰、五十铃或斗山,信息显示屏可能出自任意一家供应商,而机器ECU则由整机厂商集成。
因此,在修复故障以后,我们可以将之归入已知的正常波形之列。这也是为什么我们建议大家形成随手采集正常波形的习惯——为未来的维修做准备,避免走弯路。
2、机器控制ECU到底为什么损坏?
初步检测拆下来的旧机器控制ECU,可以发现其表面布满灰尘(图13),但并未发现任何元件完全烧毁。电路板上还有一个元件存在腐蚀(图14)。

图13 机器控制ECU电路板灰尘密布

图14 电路板上元件腐蚀
虹科汽修好品

- 随机文章
- 热门文章
- 热评文章
- 7.98mm机身塞进6000mAh iQOO Z9 Turbo官宣:性能特爆
- 投资上海•共享未来——2024年“投资上海”广告产业推介会召开
- 微软CEO的精明策略:打赢AI战不能全靠OpenAI
- 中央汇金再次大买3只ETF?买入金额至少近1400亿元
- 官宣!西安银行新任党委书记落定 由党委副书记、行长梁邦海出任
- 新闻多一点|民主村的城市更新样本
- 科创主题基金获批五周年:有产品收益率翻倍,高至115.6%
- 日银周五料维持利率不变,可能在夏季或秋季加息
- 第三届全民阅读大会发布多项榜单——书香浙江 再创佳绩
- 创纪录水平!日元空头头寸暗示日元大幅反弹的可能性增加
- 重磅!国务院报告:适时合理调整国有金融资本在银行、保险、证券等行业的比重
- 机构看好行情震荡上行,出口、TMT、高端制造等景气方向或存机会
- 重庆住房“换新购”实施近3个月:效果尚不明显
- 1“赛事+”提升城市“流量” 陕西商洛拓经济发展新“赛道”
- 2“五一”临近 持基过节的投资者要注意这几点
- 3华发股份:成功入选“人民优选”品牌 五一黄金周热销30亿
- 4钟鼓楼老街区的古都新事
- 5非常危险!女子摔成粉碎性骨折!又是因为洞洞鞋,夏天多人中招……
- 6金税四期试点上线,财税体制改革拉开帷幕!或有资金借道信创ETF基金(562030)逢跌进场布局
- 7到2027年产业规模达到2000亿元 浙江发布历史经典产业高质量发展计划
- 8初步数据:我国一季度经常账户顺差392亿美元
- 9IDC:24Q1全球PC出货量恢复增长 达到疫情前水平
- 10“发现山西之美”TDC旅游发现者大会举办:共话文旅新生态 邀客体验新玩法
- 11(中国新貌)“国宝”大熊猫:栖居更美境 云游更广天
- 12培养工程领域专业人才 非洲首所交通大学在尼日利亚投入使用
- 13瑞众保险副总裁俞德本出任公司临时负责人
- 1大裁员下,特斯拉两名顶级高管离职
- 2奇瑞将与欧洲高端品牌签署技术平台授权协议
- 32024中国长三角青年企业家交流大会在杭州举办
- 4雷克萨斯GX中东版 全部在售 2023款 2022款 2020款 2019款 2018款成都远卓名车雷克萨斯GX中东版团购钜惠20万 欢迎上门试驾
- 5零跑C16将搭载中创新航磷酸铁锂电池
- 6Q1净利微增7%,宁德时代股东总数较2023年年末减少10728户
- 7哪吒,需要背水一战
- 8“新”中有“机”!创新服务承接新流量 撬动消费升级
- 9非创始版SU7何时交付 小米:工厂生产爬坡 全力提高产能
- 10央媒评卧铺挂帘:谁买的票谁做主
- 11江西南昌首部“多规合一”国土空间总体规划获批
- 12方程豹旗舰硬派越野!豹8正式亮相:仰望U8“青春版”登场
- 13583家族/造型霸气 方程豹豹8量产版发布




